Many
Manuals
search
Kategorien
Marken
Startseite
Master
Raumheizungen
B70CEL
Bedienungsanleitung
Master B70CEL Bedienungsanleitung Seite 45
Herunterladen
Teilen
Teilen
Zu meinen Handbüchern hinzufügen
Drucken
Seite
/
164
Inhaltsverzeichnis
LESEZEICHEN
Bewertet
.
/ 5. Basierend auf
Kundenbewertungen
1
2
3
4
5
6
7
8
9
10
11
12
13
14
15
16
17
18
19
20
21
22
23
24
25
26
27
28
29
30
31
32
33
34
35
36
37
38
39
40
41
42
43
44
45
46
47
48
49
50
51
52
53
54
55
56
57
58
59
60
61
62
63
64
65
66
67
68
69
70
71
72
73
74
75
76
77
78
79
80
81
82
83
84
85
86
87
88
89
90
91
92
93
94
95
96
97
98
99
100
101
102
103
104
105
106
107
108
109
110
111
112
113
114
115
116
117
118
119
120
121
122
123
124
125
126
127
128
129
130
131
132
133
134
135
136
137
138
139
140
141
142
143
144
145
146
147
148
149
150
151
152
153
154
155
156
157
158
159
160
161
162
163
164
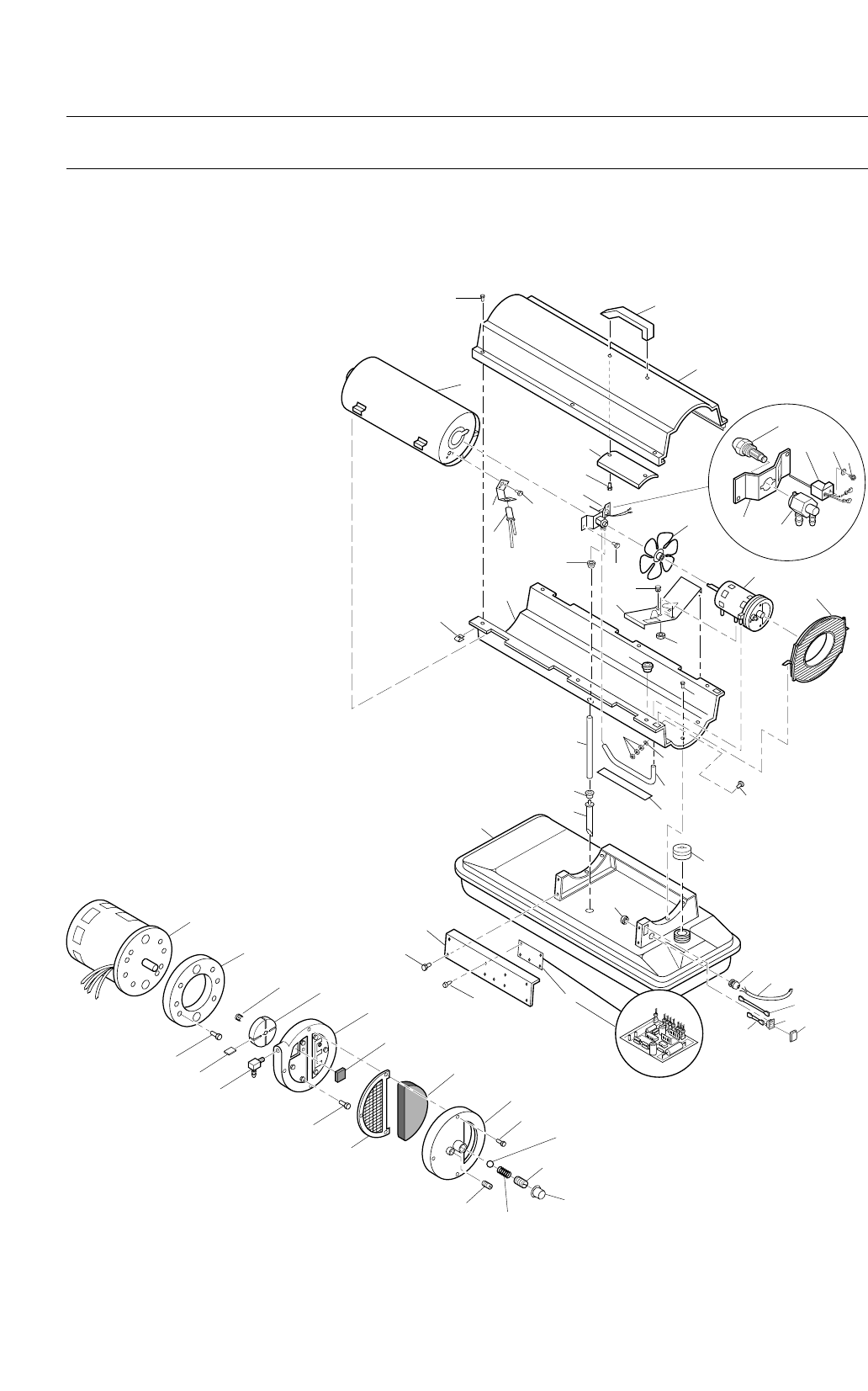
Spareparts MASTER HEA
TERS
MODEL 35 CEL
35,000 Btu/Hr Model
ILLUSTRA
TED P
ARTS BREAKDOWN
46
1
2
3
4
5
6
7
8
9
10
11
12
13
16
9-2
9-1
9-3
9-4
9-5
17
18
19
20
21
22
23
24
26
27
28
29
30
34
35
36
32
33
9-6
15
14
31
42
41
43
40
38
37
39
25
12-11
12-18
12-17
12-16
12-15
12-14
12-13
12-12
12-10
12-1
12-3
12-4
12-5
12-6
12-7
12-8
12-9
12-2
12-19
Motor and Pump
Assembly
1
2
...
40
41
42
43
44
45
46
47
48
49
50
...
163
164
S P A R E P A R T S
1
P R I C E L I S T
1
Please visit our website:
2
Spareparts
3
MASTER OIL HEATERS
5
Illustrated Parts Lists
7
Spareparts MASTER HEATERS
13
Motor and Pump Assembly
31
Burner Head Assembly
31
220CEA, 354CEA
64
ILLUSTRATED PARTS BREAKDOWN
65
MODELS 220 CEA and 354 CEA
65
MASTER ELECTRIC
68
Cod. 4165.063
70
Cod. 4165.064
74
Cod. 4165.034
78
MASTER PROPANE GASHEATERS
92
Cod. 4160.795
94
Cod. 4160.989
96
Cod. 4160.796
98
Cod. 4161.134
100
Cod. 4161.211
102
Cod. 4161.461
104
Cod. 4161.462
106
Cod. 4160.988
108
Cod. 4161.135
110
Cod. 4161.470
112
MASTER VENTED HEATERS
133
Spareparts VENTED HEATERS
134
MASTER ACCESSOIRIES
142
PRICE LIST
145
Kommentare zu diesen Handbüchern
Keine Kommentare
Publish
Verwandte Produkte und Handbücher für Raumheizungen Master B70CEL
Raumheizungen Master MH-150V-GFA Bedienungsanleitung
(42 Seiten)
Dokument drucken
Seite drucken 45
Kommentare zu diesen Handbüchern